开关电源之雷击浪涌大解剖
1)雷击(主要模拟间接雷):例如,雷电击中户外线路,有大量电流流进外部线路或接地电阻,因而产生的干扰电压;又如,间接雷击(如云层间或云层内的雷击)在线路上感应出的电压或电流;再如,雷电击中了邻近物体,在其四周建立了电磁场,当户外线路穿过电磁场时,在线路上感应出了电压和电流;还如,雷电击中了四周的地面,地电流通过公共接地系统时所引进的干扰。
(2)切换瞬变:例如,主电源系统切换时(例如补偿电容组的切换)产生的干扰;又如,同一电网中,在靠近设备四周有一些较大型的开关在跳动时所形成的干扰;再如,切换有谐振线路的晶闸管设备;还如,各种系统性的故障,例如设备接地网络或接地系统间产生的短路或飞弧故障。
雷击浪涌发生后开关电源不能损坏。两种通常的类型,“雷击” 和“振铃” 波。


GDT 陶瓷气体放电管 Gas Discharge Tubes
陶瓷气体放电管是一由电压导通的开关型器件,使用中并联在被保护设备的线与线或线与地端之间。陶瓷气体放电管是防雷保护设备中应用最广泛的开关器件,浪涌电流大,极间电容低最低1p,绝缘阻值可达10G,击穿电压分散性较。


TVS 瞬态抑制二极管Thyristor Surge Suppressors
瞬态抑制二极管是一种限压型的过压保护器件,以pS 级的速度把过高的电压限制在一个安全范围之内,从而起到保护后面电路的作用。


MOV 压敏电阻Metal Oxide Varistors
压敏电阻是以氧化锌为材料烧结而成的半导体限压型浪涌器件,它以其优异的非线性特性和超强的浪涌吸收能力被广泛应用于电子电路中进行保护。


PTC 自恢复保险丝 Positive Thermal Coefficient
自恢复保险丝是一种过流电子保护元件,采用高分子有机聚合物在高压、高温,反应的条件下,搀加导电粒子材料后,经过特殊的工艺加工而成。


ESD/TVS 静电保护阵列 ESD/TVS Arrays
静电保护阵列具有反应速度快,小於0.5nS,导通电压低,体积小、集成度高能同时实现多条资料线保护,电容值较低,可达0.3pF,是理想的高频保护器件。


GGD 玻璃放电管 Glass Gas Discharge Tubes
玻璃放电管是一种抑制异常高压脉冲、保护低压电路免受瞬间高压破坏的一种过压保护器件。它是利用微隙放电的原理,并利用半导体芯片的激活作用研制而成的引导性保护组件,具有响应速度快、耐冲击、性能稳定、重复性好和寿命长等优点。

雷击的测试项目主要针对电源火线(L),地线(N),安全地(E)进行不同组合测试主要测试项目有四种(L→E , N→E, L&N→E, L→N), 一般设计考虑上分为共模(Common Mode)与差模(Differential mode)两大类,
A. L→E , N→E, L&N→E 测试属于共模(Common Mode)
B. L→N 测试属于差模(Differential mode)
以下是做雷击测试时Common Mode 和Differential mode 的路径如下图所示

图
共模的雷击对策: (Common Mode)
共模雷击能量泄放路径,(参考上图绿线) ,首先考虑跨初、次级会因安全距离不足而造成其雷击跳火或组件损坏的路径有那些?(变压器 /光耦合器 /Y-Cap)针对这三个组件选择与设计考虑如下:
1. 变压器:
因变压器横跨于初、次级组件, 依照工作电压有不同的安规距离要求, 一般采
用Class B 的等级, 零件本身初次级需通过Hi-POT 3000Vac , 需特别注意脚距离与铁心的距离以及绕组每层胶带数量是否符合绝缘强度。
2. 光耦合器:
组件本身的距离需符合安规的要求, layout 时零件下方不可有Trace 避免距离
不足的问题。
3. Y-Cap:
本身的特性是高频低阻抗的组件,当共模雷击测试时,能量会快速通过Y-Cap
所摆放的路径, 因此layout 布局时半导体组件(PWM IC , TL431, OP…) GND
trace 应避开Y Cap 雷击能量泄放路径, 以避免成零件的损坏
差模的雷击对策: (Differential)
雷击能量流经的路径主要在桥式整流器前的L 和N 回路, 主要对策如下: Varistor(MOV) 或 Spark Gap(雷击管)吸收 等组件吸收并抑制能量流入power supply 内部。
1. Thermistor (NTC) :串接于L or N 的路径上,会增加回路的阻抗值,进而降低进入Power supply 的电流能量。
2.MOV(Metal Oxide Varistor ) :金属氧化物或突波吸收器, 使用上并联于L 和N 上,组件本身为一个高阻抗的组件,在一般的情形下并不会有损耗产生,只有稍许的漏电流,当瞬间的雷击高电位进入电源输入端且超过MOV 的崩溃电压,此时产生抑制电压的动作,而让瞬间上升电流流经MOV 本身进行能量吸收,降低雷击的能量进入Power Supply 本身。
3. Spark Gap or Gas Discharge Tube : 使用上并联于Common Choke 同一次侧的两端,针对雷击所产生的动作保护原理当瞬间的高电位在Common Choke 两端超过其额定的电压时会激发惰性气体, 此时Spark Gap 会产生电弧放电,将突波的能量抑制下来,不让大量的能量进入Power Supply ,
4. 在layout 上规划出锯齿状的铜箔形式,两端距离约1mm,当Common Choke 两端的压差太大时,产生尖端放电的现象,将能量进而宣泄。
除了上述设计上所应注意的地方之外, Layout 上如何达到对电击的防制亦是重要一环。
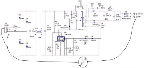
地线(Ground) 的处理,如下图所示
A. 一次侧的部分,Ground 的layout 顺序大电容的Ground →Current
sensor→Y-Cap→一次侧变压器辅助绕组Vcc 电容的Ground→PWM IC 外围
组件的ground →PWM IC 的ground 。
B. 二次侧的部分:1. TL431 的地接至第二级输出电容的地。
C. 二次侧Y-cap 的出脚接至二次侧变压器的ground 。

2. 正端高压部分的处理, 如下图所示。
A. L,N 两线距离2.5mm 以上及与E 的距离在4mm 以上。
B. 高压的铜箔与低压的铜箔安全距离在1.5mm 以上。

C. 一、二次侧的距离在6mm 以上。
4. PWM IC layout 的注意事项 ,因PWM IC 相较于其它的组件而言是属于比较脆弱且易损伤的组件, ,举例在一般的PWM IC 都会定义每支脚位所能承受的最大电位及负向电压如下图所示,所以一开始layout 其组件的摆置相形重要。
Vcc 的电解电容及陶瓷电容。
Cs pin 的陶瓷电容。
CT pin 的陶瓷电容。
COMP pin 的陶瓷电容。
以上电容都要尽量要靠近IC,以防止瞬间电压进入PWM IC(尤其是负电压)。再来
就Ground 的处理, 首先将PWM IC 之 CT / CS / COMP 所有GND 接在一起后,单点
进入IC GND,再接至Vcc 电解/陶瓷电容的Ground 最后再接至辅助绕组的Ground。

对于layout ground 的部分用实例来解释 如下图所示, Ground 的layout 准则
1. Current sense 电阻直接回到大电容的地。
2.由大电容的地先到变压器的地再到辅助绕组 Vcc 电解电容的地。
3. 由辅助绕组 Vcc 电解电容再分出去给光耦合器的地及IC 外围陶瓷电容的地,最后接到PWM IC 的地。

下面是一个典型的规格: (1.2uS / 50uS)
– 没有误动作: 4 kV / 12 Ω共模, 2kV/ 2 Ω 差模
– 可以交流重启(关机,短时间不工作): 6kV / 12 Ω 共模, 4kV / 2Ω差模
– 更高雷击电压时,不能出现安规问题
● 雷击有两种模式:差模雷击和共模雷击
● 雷击的峰值电压是规定的,在kV级别
● 输入阻抗也是规定的,或者有时规定输入短路电流
– 例如: 6 kV / 12 Ω = 500A
● 连续的雷击脉冲和重置时间又非常短造成损害比较大:
– 一个非常短的重置时间如: 15s 或1分钟, 使其很难通过测试, 原因为压敏电阻和其他的部分没时间把温度降下来!
差模雷击

差模雷击是高电压加在L和N线之间.
电流从L线流入从N线流出
共模雷击(1)

当开关在接右位置,电压加在L线和大地线上(雷击发生器上显示“L1/PE”).
当开关在接左位置,电压加在N线和大地线上(雷击发生器上显示“L2/PE”).
上面两个实际上是在电源产品上产生共模和差模电流电流。
共模雷击(2)

当雷击发生器设定为“L1, L2 / PE”, 开关同时接到两线上。这是唯一真的共模雷击测试设定。如果客户简单说共模雷击指的就这个设定.
系统只有两线输入,输出有悬空(不接大地), 共模雷击是没有意义的! (很容易通过测试, 只要输出真的悬空)
雷击会产生什么损坏?
差模雷击产生高的差模电流能导致输入大电容的电压升高,而损坏输入大电解电容和开关管的漏极。
共模雷击会产生非常高的共模电压,共模电压能造成电弧放电。电弧放电发生会产生一个非常高的高频的电流。如果没有电弧放电发生,电流比较小,只有寄生电容Cparasitic * dv/dt.
当发生一个电弧放电,会得到一个非常高的峰值高频电流,高频电流产生噪声能耦合进入低压电路导致误动作。
雷击的损坏:
– 非常高的共模电压能导致跨接在初级和次级间的Y电容损坏。
– 非常高的差模电压导致输入回路产生过高的电压和过大的电流,损坏输入端的元器件(保险丝,输入整流桥,X电容,压敏电阻,开关管)。
振铃的损坏:
– 高频电流能导致在漏极上产生不安全的高压。
– 高频电流能导致不安全的高压振铃,可以损坏像肖特基二极管等器
件。
雷击电流在电路中是怎么流的?
差模雷击电流在电路中的流向(CLC结构)

从上面电路图来看,大部分的差模电流通过C1和C2
– C1 和C2 的电压将迅速升高,导致漏极电压过高。
– 要想漏极在输入电容电压升高时不损坏,需要加入输入的过压保护线路,在输入电压高一定值,停止开关,漏极电压就会降低,就像TOP系列都有输入过压保护线路
– 降低输入大电容的值,也同时降低了成本.

RT1上的损耗是非常大的,输入电容相当短路,所有的压降在RT1上,电流非常大: V * I * t = 能量---- 可能会失效。保险丝也是如此。D1可以看到非常高的电压---- 如果整流二极管损坏是因为电压过高,那加RC是非常有帮助(在PIN1和PIN2,PIN3和PIN4间接电容, 不需要安规电容)C30 将看到高电压. X电容具体KV级别的雷击电压。
如果在C30处并联一个压敏电阻
– 可以保护整流桥和输入电容
– 通过保险丝和RT1的峰值电流会增大
● 如果保险丝烧断,考虑更大的保险丝(更高的I2f),但不要使用“电路保护保险丝”
● 任何额外串联阻抗将减少峰值电流,
– 高阻值的负温度系数热敏电阻RT1
– 输入共模电感
– 输入差模电感
● 如果因为差模雷击电流太大造成的失效(比如:保险丝,RT1),可以外加一个差模电感来减少峰值电流
● 注意:有些电感非常容易饱和,电感从流过它的电流中存储大量的能量,然后可能因为释放能量产生高压而引发电弧放电或者烧毁电感(所以电感在布线时需要加放电针)。
差模雷击电流在电路中的流向(普通结构)

当电路中没有C1
– 共模电感L1要承受更高的电压和更多的电流
– 多槽的共模电感对绕组电弧放电有更多的阻抗
● 注意:有些电感器会非常饱和,从电流中存储大量的能量,然后可能因为释放能量产生高压而引发电弧放电或者烧毁电感。
● MOV压敏电阻:
– 压敏电阻的直径大小是其吸收能量的指标
– 记住压敏电阻是一个电压箝位----如图:压敏电阻会增加在他左边的器件上的峰值电流
– 例如:在X电容上并联一个压敏电阻,保险丝和RT1上的雷击电流会增大。
差模雷击电流在电路中的流向(电容等效电感)

有时在大的电解电容上的短时间尖峰电压(因为电容的等效串联电感ESL和引脚电感造成的), 损坏漏极.
解决的办法:在输入电解电容靠近开关管和变压器处并联一个高频的旁路电容,缩小回路面积会有帮助的。
共模雷击电流在电路中的流向----输出接大地

手机,路由器,机顶盒等其他应用,其输出接天线或者外接线的电源设备,需要按上图测试雷击加在输入端和输出端.
● 电压加在电源的输入端和输出端上
● 注意:在左边,雷击加在L和N线上(“L1,L2 / PE”)

雷击电流会流经B+和B-铜皮
● 尽管事实是共模雷击,你也能看到差模的影响
– 因为L和N线上的阻抗并非完全相同(电流分流器概念)
● Y电容跨接初次级,必需要承受高电压(雷击电压在kV)
● 隔离层将看到高压经过:
– 光耦器(图上没有,实际应用中都会有光耦)
– 从变压器来看,次级绕组和初级绕组
– 从变压器来看,次级绕组和辅助绕组
共模和差模电流结合(L1/PE, L2/PE)

如果你设定雷击发生器为“L1/PE” 或“L2/PE”,共模和差模电流结合的效果
● 这个不是普通规格
● 将得到同样的共模电流流向
● 此外输入大电容的电压迅速上升和其他的一些差模电流效果
电流流向----共模雷击电压加在输出端

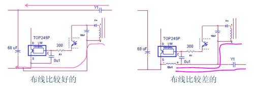
在比较差的电路图中,电流流过变压器耦合电容(初级和次级耦合电容)和Y电容,电流流过C脚的电容地和IC的地之间的连线,连线上有杂散电感,造成电压下降,将显示在C脚电压上(共模阻抗耦合)
串联一个电阻在光耦的反射极(TOP-GX)

电流流向:穿过光耦的杂散电容流入初级
● 能注入一个非常大的电流造成C脚误动作,损坏或者锁住(和爆掉)
● 在光耦连接到C脚串联一个300 电阻减少电流脉冲
共模雷击电流流向---3线输入

如果雷击有加但没有穿过电源, (e.g. 输出不接地),然后只有Y电容要耐压。
● 如果L和N线阻抗不平衡,就会产生差模电流
● Y电容要有KV级别雷击电压

有时,必须结合测试把雷击发生器的地线接到交流接头上的大地端子上和输出共模.
● 必须分开两种都测试
● 一些电源有金属底架,和有的在内部有接地线,接到AC端子的接地线上
● 必须考虑雷击是怎样进入客户系统
● 举例,如果系统有金属底架,和这金属底架是接地的,必须试着把底架的接地点接到雷击发生器的地
附加小技巧
修理和预防任何的电弧放电。因为电弧放电导致大的高频电流流。
● 增加空间距离或者在PCB上开槽。
● 一旦发生电弧放电,会在铜皮的上留下痕迹,这个地方很容易再次发生电弧放电地方。因此需要改善这个地方
● 如果压敏电阻容易炸裂开,可以在压敏电阻上加热缩套管。压敏电阻放在离保险丝比较远的地方。
● 不能把压敏电阻加在保险丝前,如果这样做了违背了安规
雷击需要考虑下面问题:
– 哪儿的电压变形?
– 电流流向哪儿?(电弧放电会产生非常高的电流)
– 记住:共模雷击会产生差模雷击的效果
– 控制IC的低压脚,思考一下“共模阻抗在哪里使高频电流造成问
题?”
记住共模阻抗噪声耦合
● 能加阻抗减少峰值电流?
– 例如,共模电感,差模电感,或者电阻串联在光耦器上----但是记
住这些器件都会电弧穿越,如果要加,需要小心
● 能箝住高压吗?用压敏电阻,电容,或者稳压管?
压敏电阻的正确接法

压敏电阻的线要越短越好减少寄生电感
LED 驱动电源雷击浪涌保护设计( 电源没有接地的情况)
常见的保护方法是在AC 输入端先串一个熔断型保险丝(fuse)做过电流的保护,然后在两线L-N 之间并联压敏电阻(MOV)可以有效地抑制差模出现的异常过电压,起到对后级电路的保护。

根据压敏电阻失效特性基本上为短路情况,考虑压敏电阻失效短路后如果前端保险丝未能及时断开电路,可能导致压敏电阻过热而烧坏,为了防止这种情况发生,我们可在压敏电阻上串接一个温度保险丝(T-fuse),以便压敏电阻失效短路后能及时将压敏电阻从电中断开,避免造成不必要的损失。

这里我们也可以用陶瓷气体放电管(GDT)来替代温度保险丝,分别使用两种器件的不同在于采用放电管后浪涌冲击时,残余电压会更高,而浪涌通流能力会增强。

LED 驱动电源雷击浪涌保护设计( 电源有接地情况)
户外的LED 路灯驱动电源都有严格的雷击浪涌试验要求(如差模、共模6KV/3KA),常见的防雷浪涌保护方案是:分别在L-N 两线之间以及L/N-PE 两线分别对地采用压敏电阻(MOV) 来吸收差模和共模出现的异常浪涌,保护后级电路。

由于线对地间的浪涌能力要求比较高,压敏电阻的浪涌能力与其尺寸基本成正比。而且如果所接大地不干净,常有异常浪涌出现的话会导致接地的压敏电阻加速老化,从而影响产品的使用寿命,因此我们会在与地相连的压敏电阻上串陶瓷气体放电管,以便杜绝压敏电阻的漏电流,提高保护电压防止压敏电阻过快老化,延长产品的使用寿命。

雷击浪涌要求较高时,相应压敏电阻残压较高,如果后级整流桥或场效应管耐压较低时,有可能导致整流桥或MOSFET 失效,则可采用差模两极防护即在整流桥后再加一个压敏电阻或共模电感上并联放电管进一步抑制过电压的冲击。

路灯电源除了雷击浪涌的测试要求外一般还有绝缘耐压(Hi-Pot)的测试要求(如线对地耐压1500VAC或以上,漏电流小于5MA,持续时间60S 等),我们的解决方案是将放电管选择到3000V 或以上电压, 既满足将耐压的测试要求,同时也满足6KV 以上浪涌电压的雷击试验。
